DLP1889
DLP1889
scavatrice
Nuovo
getto
HRC63
Secondo i requisiti del cliente
Cina
Escavatore Secchio
CE
DLP1889
Cr White Iron e Mild Steel
OEM
311mmx48mmx50mm
8431499900
1. Descrizione:
Nome: Grizzly Bar DLP1889
descrizioni:
Materiale: ferro bianco Cr e acciaio dolce
Durezza: HRC63
Facile da tagliare: consente di personalizzare la protezione secondo diverse specifiche
Facile da piegare: offre protezione su una superficie sagomata.
Utilizzare barre chocky con piastra di supporto pre-incisa.
Disponibile in 5 dimensioni: con piastra di supporto standard o pre-incisa.
applicazioni:
Strisce di usura della benna.
Sostituisce il rivestimento duro per le trivelle, le teste di perforazione direzionali, la perforazione della fondazione, la foratura del foro.
Fodere per pale della ventola.
Pale da carlino, punta e raschietti.
Industria del riciclaggio
Pattini stradali e dispositivi di presa.
Sostituisce il rivestimento duro per gli alloggiamenti delle pompe e gli impulsori
2. La nostra gamma di prodotti
3.Oggetti popolari soffiano per riferimento:
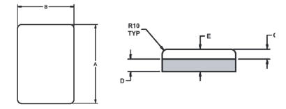
| Numero di parte | A (mm) | B (mm) | C (mm) | D (mm) | E (mm) | Peso (kg) |
| DLP-1920 | 75 | 25 | 17 | 8 | 25 | 0.7 |
| DLP-1921 | 100 | 50 | 17 | 8 | 25 | 1.1 |
| DLP-1994 | 100 | 70 | 24 | 8 | 32 | 1 |
| DLP-2196 | 130 | 80 | 15 | 8 | 23 | 1.3 |
| DLP-4771 | 148 | 108 | 25 | 10 | 35 | 2.3 |
| Numero di parte | A (mm) | B (mm) | C (mm) | D (mm) | E (mm) | Peso (kg) |
| DLP 4 | 300 | 38 | 25 | 8 | 33 | 3 |
| DLP 295 | 153 | 38 | 25 | 8 | 33 | 1.6 |
| DLP 508 | 190 | 50 | 20 | 10 | 30 | 2.3 |
| DLP 125 | 230 | 50 | 38 | 12 | 50 | 4.6 |
| DLP 1101 | 150 | 50 | 40 | 10 | 50 | 3 |
| DLP 528 | 150 | 75 | 40 | 10 | 50 | 4.5 |
| DLP 619 | 150 | 75 | 50 | 10 | 60 | 5.3 |
| Parte # | A (mm) | B (mm) | C (mm) | D (mm) | E (mm) | Peso (kg |
| SB 413 | 200 | 150 | 20 | 25 | 45 | 10.5 |
| SB 412 | 250 | 150 | 20 | 25 | 45 | 13.1 |
| SB 414 | 250 | 250 | 20 | 25 | 45 | 22 |
4. Il nostro magazzino:
5. informazioni aziendali
Ningbo Beneparts Machinery co., Ltd è il vostro fornitore affidabile di ricambi GET, offrendo una gamma completa di pezzi di ricambio adatti a tutti i tipi di macchine movimento terra applicabili a miniere, costruzioni, agricoltura, ecc. Come escavatore, bulldozer, caricatore, terna, raschietto, frantoio e presto. I pezzi di ricambio che forniamo includono parti di colata come denti della benna, adattatore, protezione del labbro, protettore, gambo ripper ecc. E parti forgiate come denti della benna forgiati, tagliente, lame per livellatrici, segmenti, punte terminali ecc. E anche parti resistenti all'usura come le barre spigolose, i bottoni antiusura, la piastra antiusura combinata al cromo ecc. e le parti abbinate come perno, rondella, bulloni e dadi ecc. Le nostre parti coprono marchi di macchine Caterpillar, Komatsu, Volvo Doosan, Daewoo, Hyundai, Case, JCB, Kobelco, Liebherr John Deere ecc.
Beneparts ha un team di vendita molto forte e un produttore fortemente collaborato con alta tecnologia e attenzione alla qualità con oltre 28 anni di esperienza.
I nostri vantaggi sono quattro volte, i nostri:
1. forte team tecnico, e abbiamo la capacità di formulare materiali per me le esigenze specifiche dei progetti dei nostri clienti.
2. Perfect sistema di monitoraggio della qualità, e una gamma completa di servizi avanzati, come Component analysis machine, Impact Machine, Tensile Strength machine etc.
3. Esperienza ricca per fare affari OEM / ODM, possiamo sviluppare articoli come disegni e campioni se avete requisiti specifici.
4. Gestione efficiente, siamo in grado di tempi di consegna brevi e abbiamo un buon servizio post vendita che mantengono la cooperazione commerciale a lungo termine con i nostri clienti.
Il nostro impegno per voi è sempre fornire un servizio clienti rapido, conveniente ed efficace.
Non vedo l'ora di incontrarti!
1. Descrizione:
Nome: Grizzly Bar DLP1889
descrizioni:
Materiale: ferro bianco Cr e acciaio dolce
Durezza: HRC63
Facile da tagliare: consente di personalizzare la protezione secondo diverse specifiche
Facile da piegare: offre protezione su una superficie sagomata.
Utilizzare barre chocky con piastra di supporto pre-incisa.
Disponibile in 5 dimensioni: con piastra di supporto standard o pre-incisa.
applicazioni:
Strisce di usura della benna.
Sostituisce il rivestimento duro per le trivelle, le teste di perforazione direzionali, la perforazione della fondazione, la foratura del foro.
Fodere per pale della ventola.
Pale da carlino, punta e raschietti.
Industria del riciclaggio
Pattini stradali e dispositivi di presa.
Sostituisce il rivestimento duro per gli alloggiamenti delle pompe e gli impulsori
2. La nostra gamma di prodotti
3.Oggetti popolari soffiano per riferimento:
| Numero di parte | A (mm) | B (mm) | C (mm) | D (mm) | E (mm) | Peso (kg) |
| DLP-1920 | 75 | 25 | 17 | 8 | 25 | 0.7 |
| DLP-1921 | 100 | 50 | 17 | 8 | 25 | 1.1 |
| DLP-1994 | 100 | 70 | 24 | 8 | 32 | 1 |
| DLP-2196 | 130 | 80 | 15 | 8 | 23 | 1.3 |
| DLP-4771 | 148 | 108 | 25 | 10 | 35 | 2.3 |
| Numero di parte | A (mm) | B (mm) | C (mm) | D (mm) | E (mm) | Peso (kg) |
| DLP 4 | 300 | 38 | 25 | 8 | 33 | 3 |
| DLP 295 | 153 | 38 | 25 | 8 | 33 | 1.6 |
| DLP 508 | 190 | 50 | 20 | 10 | 30 | 2.3 |
| DLP 125 | 230 | 50 | 38 | 12 | 50 | 4.6 |
| DLP 1101 | 150 | 50 | 40 | 10 | 50 | 3 |
| DLP 528 | 150 | 75 | 40 | 10 | 50 | 4.5 |
| DLP 619 | 150 | 75 | 50 | 10 | 60 | 5.3 |
| Parte # | A (mm) | B (mm) | C (mm) | D (mm) | E (mm) | Peso (kg |
| SB 413 | 200 | 150 | 20 | 25 | 45 | 10.5 |
| SB 412 | 250 | 150 | 20 | 25 | 45 | 13.1 |
| SB 414 | 250 | 250 | 20 | 25 | 45 | 22 |
4. Il nostro magazzino:
5. informazioni aziendali
Ningbo Beneparts Machinery co., Ltd è il vostro fornitore affidabile di ricambi GET, offrendo una gamma completa di pezzi di ricambio adatti a tutti i tipi di macchine movimento terra applicabili a miniere, costruzioni, agricoltura, ecc. Come escavatore, bulldozer, caricatore, terna, raschietto, frantoio e presto. I pezzi di ricambio che forniamo includono parti di colata come denti della benna, adattatore, protezione del labbro, protettore, gambo ripper ecc. E parti forgiate come denti della benna forgiati, tagliente, lame per livellatrici, segmenti, punte terminali ecc. E anche parti resistenti all'usura come le barre spigolose, i bottoni antiusura, la piastra antiusura combinata al cromo ecc. e le parti abbinate come perno, rondella, bulloni e dadi ecc. Le nostre parti coprono marchi di macchine Caterpillar, Komatsu, Volvo Doosan, Daewoo, Hyundai, Case, JCB, Kobelco, Liebherr John Deere ecc.
Beneparts ha un team di vendita molto forte e un produttore fortemente collaborato con alta tecnologia e attenzione alla qualità con oltre 28 anni di esperienza.
I nostri vantaggi sono quattro volte, i nostri:
1. forte team tecnico, e abbiamo la capacità di formulare materiali per me le esigenze specifiche dei progetti dei nostri clienti.
2. Perfect sistema di monitoraggio della qualità, e una gamma completa di servizi avanzati, come Component analysis machine, Impact Machine, Tensile Strength machine etc.
3. Esperienza ricca per fare affari OEM / ODM, possiamo sviluppare articoli come disegni e campioni se avete requisiti specifici.
4. Gestione efficiente, siamo in grado di tempi di consegna brevi e abbiamo un buon servizio post vendita che mantengono la cooperazione commerciale a lungo termine con i nostri clienti.
Il nostro impegno per voi è sempre fornire un servizio clienti rapido, conveniente ed efficace.
Non vedo l'ora di incontrarti!